| 
 | 
Расширенный поиск проекта | 
 | 
 
 |  
 
 
 
		
 
 
 
 
 | 
Проекты домов по категориям | 
 | 
 
 
			
							
 
 
 | 
 
 
	
 
		
	
	
	
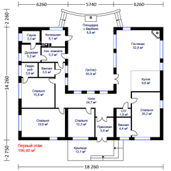
		Проект современного стильного одноэтажного дома ЯГ 196-4:  		196,40	 кв.м
	 | 
	
		
							55 000 руб.					
	 | 
	 
	 
	
	
 
	
  | 
  | 
 
 
    
 
 | 
    
	
	
 
Описание: 
Проект современного одноэтажного дома в средиземноморском стиле. Прежде всего обратите внимание на П-образную форму фасада дома, за которым скрывается внутренний двор с террасой-барбекю. Внутренние планировки максимально удобны прежде всего для хозяев дома. В доме есть хозяйская спальня с отдельным сан.узлом, еще три жилые комнаты и гостиная с камином, а также сауна. Также очень практичны решения с техническими помещениями. Есть хоз. комната, котельная и гардеробные.
  
Топочная: да. 
Сауна: да. 
Гардеробные: да. 
Камин: да. 
Хоз. комната: да. 
Терраса+барбекю: да.
  
Площадь общая: 196,40 кв.м. 
Площадь жилая: 100,20 кв.м.
  
Технология и конструкция: Строительство каменного дома (кирпич или газобетон). 
Фундамент: монолитная железобетонная плита. 
Стены наружные и внутренние: 1. Вариант: поризованный кирпич или крупноформатный керамический камень. 2. Вариант: блоки газобетона. 
Перекрытия: деревянные балки. 
Крыша: чердачная, покрытие - кровельное железо. 
Наружная отделка: деревянная рейка.
  
Габаритные размеры дома: 18,260 х 14,260 м. (без крыльца) 
Минимальные размеры участка: 25,00 x 21,00 м. 
Зеркальная проекция: да. (только АР + КР) 
ПРИМЕЧАНИЕ:
 
- Состав проектной документации:  
- Архитектурно-Строительный раздел (АР + КР) = да. (срок разработки проектной документации = 25 рабочих дней) 
- Инженерные разделы (ОВ, ВК,ЭО) (ИС) = да. (в прямой проекции, срок подготовки раздела ИС = 25 рабочих дней)
 
- Стоимость проектной документации >>>
 
	
	 | 
 
    | 
	
	 | 
 
    | 
	
	
	 | 
 
    | 
 | 
 
| 
	
 | 
 
 
АКЦИИ на этот проект дома 
    Бесплатная доставка Почтой России во все регионы РФ !!! | 
 
 
 
	| Предложение | 
	Товар/Услуга | 
 
	
		| СТРОИТЕЛЬСТВО | 
		 Калькулятор стоимости материалов ➤
 | 
	 
	
		| БЕСПЛАТНО | 
		Экспресс-доставка проектов во все регионы России бесплатно! | 
	 
	
		| ЦЕНЫ | 
		Мы не посредники и не перепродаем проекты по завышенным ценам. Обратившись к нам вы сможете напрямую заключить договор на приобретение готового проекта дома или индивидуальное проектирование непосредственно с архитекторами авторами проектной документации и по ценам, которые они предлагают. | 
	 
	
		| ПОДАРКИ | 
		При покупке любого проекта серий ДС и ДСГ  мы дарим вам проект бани ДС 34-6. | 
	 
 
	
      | 
    Сроки Экспресс-Доставки Вашего заказа "от двери до двери" по России | 
 
    | Москва, Санкт-Петербург, Орел, Белгород, Рязань, Курск, Нижний Новгород, Казань, Ярославль, Калуга, Иваново | 
	1 день | 
 
    | Калининград, Архангельск, Краснодар, Ростов-на-Дону, Астрахань, Волгоград, Самара, Саратов, Екатеринбург, Новосибирск, Омск, Томск, Сургут, Тюмень, Новый Уренгой, Ханты-Мансийск, Барнаул, Челябинск, Пермь, Красноярск, Ижевск, Уфа | 
    2 дня | 
 
    | Хабаровск, Владивосток, Иркутск, Якутск, Улан-Удэ | 
    3 дня | 
 
    | Салехард, Нерюнгри, Южно-Сахалинск, Абакан, Чита | 
    4 дня | 
 
    | Доставка в страны СНГ | 
    3 - 5 дней | 
 
 
 
	 
 
 
 
	 
 
 
 | 
 | 
					 
													Новые проекты домов и коттеджей 
												
						
 
					 
													Лучший проект месяца. Январь 2024г. Проект двухэтажного дома с гаражом ДС 244-9 
												
						
 
 | 
 | 
 | 
	 Мы оказываем помощь и даем грамотные и профессиональные консультации по подбору готовых проекты домов, коттеджей, бань, гаражей, бассейнов, беседок  и других малоэтажных построек. В нашем каталоге также широко представлены проекты коммерческого назначения (мотели, магазины, автомойки). Мы оказываем свои услуги по всей России и странам СНГ. Проектная документация разработана в соответствии с действующими строительными нормами и правилами, принятыми в Российской Федерации и обеспечивает безопасную для жизни и здоровья людей эксплуатацию объекта при соблюдении предусмотренных рабочими чертежами мероприятий. Мы оказываем содействие не только в подборе готовых проектов домов самых лучших архитекторов России, но также можем помочь вам с индивидуальным проектированием по вашим эскизам. Кроме этих проектных работ, мы можем предложить и рекомендовать вам услуги надежных строительных компаний работающих в Московской области и других регионах России. 
 | 
 |