Качество, проверенное временем.
Качественная рабочая проектная документация с полным набором чертежей и расчетом стройматериалов для строительства.
Главная

Помощь с выбором проекта дома тел: +7 925 585-89-91. WhatsApp: +7 (926) 377-46-81.

Расширенный поиск проекта
Все проекты домов
Российские проекты
Зарубежные проекты
Проекты домов по категориям
Проекты строений
Авторизация покупателя
Логин:
Пароль:
Забыли свой пароль?
Профиль покупателя
Корзина0 позиций
на сумму 0 руб.


дома из кирпича дома из газобетона и пеноблоков деревянные дома
Проекты домов
из кирпича
Проекты домов
из газобетона
Проекты
деревянных домов
Сравнение товаров: 0 товаров
Ваша корзина пуста
Рассчитать смету Печать Добавить в избранное Удалить из избранного 0

Проект одноэтажного дома Я 260-2, 169 кв.м

38 000 руб.


Проект дома Я 260-2

Кликните для увеличения Кликните для увеличения Кликните для увеличения Кликните 

для увеличения

Кликните для увеличения
Кликните для увеличения
Описание:
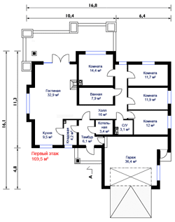
Одноэтажный дом, без подвала, с гаражом на два автомобиля. Максимальное количество жильцов: 5 человек.
Камин: да.
Гараж: да. (2 автомобиля)

Площадь застройки: 204,6 кв.м.
Площадь общая: 260,2 кв.м.
Площадь нетто: 169,5 кв.м.
Площадь жилая: 129,8 кв.м.
Кубатура: 853,0 куб.м.

Крыша:
Площадь крыши: 280,7 кв.м.
Угол наклона крыши: 23°.

Технология и конструкция: ячеистый бетон.
Наружные стены: пено-газоблоки.
Внутренние стены: пено-газоблоки.
Перекрытие: деревянное.
Конструкция крыши: деревянная.

Фундамент: ленточный монолитный ж/б.

Отделка.
Кровля: керамическая черепица или листовой кровельный металл.
Фасад: тонкослойная штукатурка.
Цоколь: облицовочный кирпич.

Габаритные размеры дома: 16,1 х 16,8 х 5,90 м.
Минимальные размеры участка: 24,8 x 26,1 м.
Зеркальная проекция: нет.
Проект в другой технологии строительства: нет.



Предложение Товар/Услуга
СТРОИТЕЛЬСТВО Калькулятор стоимости материалов ➤
БЕСПЛАТНО Экспресс-доставка проектов во все регионы России бесплатно!
ЦЕНЫ Мы не посредники и не перепродаем проекты по завышенным ценам. Обратившись к нам вы сможете напрямую заключить договор на приобретение готового проекта дома или индивидуальное проектирование непосредственно с архитекторами авторами проектной документации и по ценам, которые они предлагают.
ПОДАРКИ При покупке любого проекта серий ДС и ДСГ мы дарим вам проект бани ДС 34-6.

Стоимость проекта: 38 000 руб.
Архитектурный паспорт проекта: 2 000 руб.
Заказать дополнительную копию проекта:
НЕ заказывать копию проекта:  
1 копия проекта: 2 000 руб.
2 копии проекта: 3 500 руб.
Выбрать проекцию дома:
Проект: прямая проекция  

По вопросам консультации или приобретения проектной документации по этому проекту просьба звонить по телефону:
+7 926-377-46-81

 


Ознакомиться с составом проектной документации и терминологией!

Проект дома Сроки Экспресс-Доставки Вашего заказа "от двери до двери" по России
Москва, Санкт-Петербург, Орел, Белгород, Рязань, Курск, Нижний Новгород, Казань, Ярославль, Калуга, Иваново 1 день
Калининград, Архангельск, Краснодар, Ростов-на-Дону, Астрахань, Волгоград, Самара, Саратов, Екатеринбург, Новосибирск, Омск, Томск, Сургут, Тюмень, Новый Уренгой, Ханты-Мансийск, Барнаул, Челябинск, Пермь, Красноярск, Ижевск, Уфа 2 дня
Хабаровск, Владивосток, Иркутск, Якутск, Улан-Удэ 3 дня
Салехард, Нерюнгри, Южно-Сахалинск, Абакан, Чита 4 дня
Доставка в страны СНГ 3 - 5
дней

Назад в раздел
 
ПАРФЕНОН, 26.01.2009 16:45:04 Цитировать Имя

Проект одноэтажного дома

Проект одноэтажного дома Я 260-2, предназначен для проживания семьи состоящей из 5 человек. Особенностью проекта Я 260-2, является встроенный в общий объем дома гараж на 2 автомобиля. Эргономика внутренних помещений в сочетании с максимально рациональным разделением пространства на дневную, ночную и хозяйственную зоны, делает проект одноэтажного дома Я 260-2 очень привлекательным для застройщика. Дневная зона спроектирована для людей, ценящих открытые пространства, прекрасным решением которого служит единое, перетекающее пространство - кухня-столовая-гостиная. Зона для ночного пребывания разделена на помещения для взрослых, детей и для гостей и состоит из четырех спален. На хозяйственной площади спроектирован гараж на 2 автомобиля, котельная и проходная кладовая, в которую можно пройти, как и из тамбура, так и из кухни. Такое расположение хозяйственных помещений вокруг тамбура является максимально удобным.


Ольга Григорьева, 18.02.2016 00:22:35 Цитировать Имя

здравствуйте.Когда наводишь на изображение дома то показывается вариант где гараж слева. А есть план внутри дома чтобы гараж был слева(зеркальный вариант)?Если есть то пришлите пожалуйста.



Перейти к обсуждению на форуме >>
 


Последние проекты
Дом с гаражом
ПА-278Н 278,18 кв.м
Дом с сауной
ПА-316Н 316,70 кв.м
Новые проекты
Новые проекты домов и коттеджей Новые проекты домов и коттеджей
Архив новые проекты
домов и коттеджей
Проект месяца
Лучший проект месяца. Январь 2024г. Проект двухэтажного дома с гаражом ДС 244-9 Лучший проект месяца. Январь 2024г. Проект двухэтажного дома с гаражом ДС 244-9
Архив проект месяца
Проект небольшого дома с мансардой для большой семьи ПА-1369П
Определение площадей

Объявления

Мы оказываем помощь и даем грамотные и профессиональные консультации по подбору готовых проекты домов, коттеджей, бань, гаражей, бассейнов, беседок и других малоэтажных построек. В нашем каталоге также широко представлены проекты коммерческого назначения (мотели, магазины, автомойки). Мы оказываем свои услуги по всей России и странам СНГ. Проектная документация разработана в соответствии с действующими строительными нормами и правилами, принятыми в Российской Федерации и обеспечивает безопасную для жизни и здоровья людей эксплуатацию объекта при соблюдении предусмотренных рабочими чертежами мероприятий. Мы оказываем содействие не только в подборе готовых проектов домов самых лучших архитекторов России, но также можем помочь вам с индивидуальным проектированием по вашим эскизам. Кроме этих проектных работ, мы можем предложить и рекомендовать вам услуги надежных строительных компаний работающих в Московской области и других регионах России.

| Проекты домов | Пример проекта | Строительство | Все о стройке | Контакты | Мобильная версия | Политика конфиденциальности и обработки персональных данных |

https://www.parthenon-house.ru - готовые проекты домов, малоэтажное строительство России.
Разработка, дизайн и продвижение сайта - компания "ПАРФЕНОН" (2007-2025)
Мы на Одноклассниках Мы вконтакте