|
|
Расширенный поиск проекта |
|
|
|
Проекты домов по категориям |
|
|
Проект коттеджа из теплой керамики МПК 344-5: 344,50 кв.м
|
40 000 руб.
|
|
Проект загородного двухэтажного коттеджа с пристроенным гаражом для парковки двух автомобилей. Солидный и добротный коттедж для жизни за городом семьи из 4-5 человек. Внутренние планировки ориентированы на максимально комфортные условия проживания каждого члена семьи.
Область строительства: климатические условия России с показателем градусо-сутки отопительного периода ГСОП до 5000°С сут.
Котельная: да.
Гараж: 2 авто.
Террасы: да.
Балкон: да.
Второй свет: в гостиной.
Камин: да.
Прачечная: да.
Кладовая: да.
Гардеробные: да.
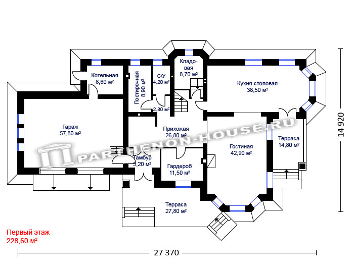
Площадь застройки: 324,00 кв.м.
Площадь коттеджа: 344,50 кв.м.
Площадь жилая: 112,30 кв.м.
Строительный объем здания: 1803,20 куб.м.
Высота 1 этажа: 3,300 м.
Высота 2 этажа: 3,150 м.
Высота потолка в гараже: 2,670 м.
Высота коттеджа в коньке от уровня земли: 11,725 м.
Технология и конструкция: строительство коттеджа из крупноформатных поризованных керамических камней (блоков).
Фундамент: монолитный железобетонный ленточный.
Наружные стены: крупноформатные керамические поризованные камни с показателями λ = 0,22 Вт/м, γ = 840 кг/м.куб. Стены облицованы лицевым кирпичом, натуральным камнем по сетке.
Внутренние несущие стены: керамический строительный кирпич М150.
Перегородки: из пустотелого керамического кирпича.
Вент. каналы и дымоходы: кладка из полнотелого красного кирпича. В дымовых каналах для камина и отопительной установки установить короб из нержавеющей стали, который изолируется огнеупорным теплоизоляционным материалом.
Междуэтажное перекрытие: из пустотелых ж/б плит.
Конструкция крыши и кровля: чердачная, покрытие - из цементно-песчаной черепицы по деревянным стропилам. Утеплитель чердачного перекрытия - плитный минераловатный толщиной 200 мм.
Междуэтажная лестница: из монолитного ж/б.
Наружная отделка: несколько цветов и фактур природного камня, отделочного кирпича, белого кирпича с колотой поверхностью, оштукатуренных и окрашенных карнизов.
Рекомендуемые инженерные решения:
- Отопление: автономное от котла на жидком топливе.
- Водопровод: от скважины (вар. - от наружной сети).
- Горячее водоснабжение: через бойлер.
- Канализация: в локальные очистные сооружения (вар. - в наружную сеть канализации)
- Электроснабжение - от наружной сети.
Габаритные размеры коттеджа: 27,370 х 14,920 м.
Минимальные размеры участка: 34,00 x 21,00 м.
Зеркальная проекция: нет.
ПРИМЕЧАНИЕ:
- Строительный Комплект (АР + КР): = 40000 руб.
- ИС: = нет.
|
| Предложение |
Товар/Услуга |
| СТРОИТЕЛЬСТВО |
Калькулятор стоимости материалов ➤
|
| БЕСПЛАТНО |
Экспресс-доставка проектов во все регионы России бесплатно! |
| ЦЕНЫ |
Мы не посредники и не перепродаем проекты по завышенным ценам. Обратившись к нам вы сможете напрямую заключить договор на приобретение готового проекта дома или индивидуальное проектирование непосредственно с архитекторами авторами проектной документации и по ценам, которые они предлагают. |
| ПОДАРКИ |
При покупке любого проекта серий ДС и ДСГ мы дарим вам проект бани ДС 34-6. |
 |
Сроки Экспресс-Доставки Вашего заказа "от двери до двери" по России |
| Москва, Санкт-Петербург, Орел, Белгород, Рязань, Курск, Нижний Новгород, Казань, Ярославль, Калуга, Иваново |
1 день |
| Калининград, Архангельск, Краснодар, Ростов-на-Дону, Астрахань, Волгоград, Самара, Саратов, Екатеринбург, Новосибирск, Омск, Томск, Сургут, Тюмень, Новый Уренгой, Ханты-Мансийск, Барнаул, Челябинск, Пермь, Красноярск, Ижевск, Уфа |
2 дня |
| Хабаровск, Владивосток, Иркутск, Якутск, Улан-Удэ |
3 дня |
| Салехард, Нерюнгри, Южно-Сахалинск, Абакан, Чита |
4 дня |
| Доставка в страны СНГ |
3 - 5 дней |
|
|
Новые проекты домов и коттеджей
Лучший проект месяца. Январь 2024г. Проект двухэтажного дома с гаражом ДС 244-9
|
|
|
Мы оказываем помощь и даем грамотные и профессиональные консультации по подбору готовых проекты домов, коттеджей, бань, гаражей, бассейнов, беседок и других малоэтажных построек. В нашем каталоге также широко представлены проекты коммерческого назначения (мотели, магазины, автомойки). Мы оказываем свои услуги по всей России и странам СНГ. Проектная документация разработана в соответствии с действующими строительными нормами и правилами, принятыми в Российской Федерации и обеспечивает безопасную для жизни и здоровья людей эксплуатацию объекта при соблюдении предусмотренных рабочими чертежами мероприятий. Мы оказываем содействие не только в подборе готовых проектов домов самых лучших архитекторов России, но также можем помочь вам с индивидуальным проектированием по вашим эскизам. Кроме этих проектных работ, мы можем предложить и рекомендовать вам услуги надежных строительных компаний работающих в Московской области и других регионах России.
|
|