Качество, проверенное временем.
Качественная рабочая проектная документация с полным набором чертежей и расчетом стройматериалов для строительства.
Главная

Все проекты домов
Авторизация на сайте
Логин:
Пароль:
Забыли свой пароль?
Видео стройка

Российские проекты домов и коттеджей
Посмотреть видео: строительство, отделка, инженерные коммуникации
Фото строительства домов
Отделка кирпичного дома
Посмотреть все фотоальбомы
строительства домов
Предметы интерьера дома
Пьедестал №5. Изделия и украшения для сада.
Посмотреть все фотоальбомы
предметы интерьера

Каталог готовых проектов домов и коттеджей Библиотека статей о строительстве Бесплатный расчет стоимости строительства
Каталог готовых проектов
домов и коттеджей
Библиотека статей
о строительстве
Калькулятор
стоимости строительства

Как построить сарай на участке

Сарай

Каркасный сарай

Сарай - это место временного проживания и помещение для хранения строительных материалов, инструментов и инвентаря на дачном участке. После возведения дома в нем может разместиться мастерская с подсобками, летняя кухня и пр., поэтому строительство сарая следует вести добротно. Площадь его обычно составляет 6-9 кв. м, а высота - 2-2,4 м. Наибольшее распространение получили каркасные сараи.

Каркасный сарай

Строительство каркасного сарая начинают по готовому фундаменту в виде подкладок из природного камня или столбчатых фундаментов из асбестоцементных труб диаметром 100-140 мм с заделкой полости бетоном на мелком щебне состава по объему 1 : 1,5 : 3 (цемент : песок : щебень) и установкой анкеров диаметром 10-12 мм либо стоек из древесины хвойных пород с обмазкой поверхностей, соприкасающихся с грунтом, горячим битумом. Можно их обжечь на костре.

Строительство сарая – план сарая Строительство сарая – сарай в разрезе
Строительство сарая Строительство сарая

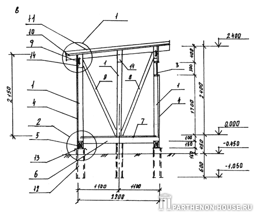
Рис 2 - Рис 5. Строительство каркасного сарая: 1 - стойка каркаса из досок сечением 40х100 мм; 2 - дверь; 3 - застекленная фрамуга; 4 - обшивка из обрезных строганных досок внахлестку толщиной 20 - 25 мм; 5, 6 - нижние обвязки (брус сечением 100х150 мм): 7 - дощатый пол; 8 - раскос сечением 40х80 мм; 9 - верхняя обвязка (доска сечением 40х100 мм); 10 - стропила (доска сечением 40х120 мм); 11 - волнистые асбестоцементные листы; 12 - асбоцементная труба диаметром 120 мм; 13 - два слоя рубероида; 14 - накладка из доски сечением 40х100 мм; 15 - обрешетка из досок толщиной 25 мм; 16 - слив из строганной доски толщиной 20 мм либо оцинкованной кровельной стали; 17 - пол из досок толщиной 40 мм; 18 - бетон состава 1 : 1,5 : 3 (цемент: песок: щебень) по объему; 19 - анкер диаметром 12 мм с гайкой и шайбой.

Устройство каркасного сарая

Поверх гидроизоляции из двух слоев рубероида укладывают нижнюю обвязку - бревна диаметром 140 мм или брусья сечением 100х150 мм. Их соединяют между собой в четверть на гвоздях длиной 200 мм и диаметром 5 мм. Правильность укладки обвязки проверяют строительным уровнем и рейкой. Затем устанавливают вертикальные стойки стен из досок 40х100 мм, которые крепят гвоздями диаметром 4 мм, длиной 150 мм так называемым "косым забоем". Зафиксировав подпорками стойки в вертикальном положении, прибивают верхнюю обвязку из досок сечением 40х100 мм на ребро с врезкой в стойки. Затем устанавливают стойки дверей сечением 40х80 мм, ригели фрамуги сечением 40х80 мм, подкосы угловых стоек в двух направлениях сечением 40х80 мм, балки-лаги пола сечением 40х100 мм на ребро с шагом 600-800 мм. Снаружи стены обшивают обрезными строганными досками толщиной 20-25 мм внахлестку или шпунтованными досками, либо плоскими асбестоцементными листами. Закончив обшивку, настилают пол из досок толщиной 30-40 мм свободно, а по окончании строительства сарая доски скрепляют с балками гвоздями.

Устройство крыши сарая

Затем устанавливают стропила из досок сечением 40х120 мм на ребро с шагом 0,6-0,8 м с выпуском на 300 мм за плоскость стены переднего и заднего фасадов. Уклон стропил для кровли из асбестоцементных волнистых листов принимают не менее 20%, то есть на 1 м уклон составляет 10 см при уклоне 10%. Обрешетку под кровлю из асбестоцементных волнистых листов делают из обрезных досок толщиной 25 мм с выпуском по торцам стен на 200 мм. Обрешетку можно делать из брусков сечением 50х50 мм с шагом не менее 500 мм. К обрешетке прибивают волнистые асбестоцементные листы шиферными гвоздями в направлении снизу вверх с напуском на одну волну, то есть перекрываемая волна одного листа накрывается крайней волной последующего. Таким образом обеспечивается плотное сопряжение горизонтально укладываемых листов нижнего ряда. Потом настилают второй и последующие ряды вверх по скату кровли сарая с перехлестом листов не менее чем на 15 см. Если целые листы последнего вертикального ряда выходят за пределы свеса кровли сарая, их необходимо обрезать. Напуск за пределы обрешетки должен составлять не менее 50-70 мм. Каждый лист крепят к обрешетке тремя и более гвоздями, которые забивают в предварительно просверленные отверстия по гребням волны. Под шляпки гвоздей подкладывают шайбы из рубероида, сложенного в два слоя, либо из листовой резины. По завершении кровельных работ строительство сарая завершают установкой дощатых дверей толщиной 30-40 мм на планках и застекленной фрамуги.

Во второй части цикла статей "Хозяйственные постройки" Вы узнаете, как построить деревянный туалет.

Перейти к выбору проекта дома или ознакомиться с предложениями строительных компаний.

Все материалы, размещенные на сайте https://www.parthenon-house.ru, принадлежат компании ПАРФЕНОН. При цитировании текстов ссылка источник обязательна!

Вернуться к статьям раздела Обустройство участка

Вернуться к списку всех статей



Новые проекты домов

Стиль фахверк: История и современность.

Наш сайт представляет новую статью об архитектурном стиле фахверк. Знакомьтесь с историей и особенностями этого уникального стиля, с его глубоко укоренившимся прошлым и современными возможностями при проектировании домов в этой элегантной и привлекательной эстетике.

Зачем нужна экспертиза проектной документации: важность и основные преимущества

Узнайте, почему экспертиза проектной документации является неотъемлемой частью любого строительного процесса и какие преимущества она приносит. На нашем сайте вы найдете подробную информацию о важности проведения экспертизы проектной документации для обеспечения безопасности и качества строительных работ.

Все новости >>
 

Новые статьи
о строительстве

Всё о гранитной брусчатке: от истории до выбора и технологии укладки

На нашем сайте вышла подробная статья-обзор о гранитной брусчатке. Узнайте об истории этого материала, начиная с мостовых Санкт-Петербурга, разберитесь в пяти основных видах с их особенностями и выберите правильную технологию укладки для вашего проекта.

Как хобби создают атмосферу в загородном доме

На нашем портале вышла статья о том, как наполнить уже построенный загородный дом атмосферой и жизнью с помощью хобби. Эта статья-руководство по пяти видам творчества: от гончарного дела до создания домашнего текстиля. В материале — практические инструкции, советы для новичков и вдохновляющие примеры, которые помогут сделать ваше жилье по-настоящему уютным и индивидуальным.

Все новости >>
 

Опрос о строительстве
  1. Дом какой площади Вы хотите построить?
    1. 100-150 кв. м - 2513 (31.59%)
       
    2. до 100 кв. м - 1896 (23.83%)
       
    3. 150-200 кв. м - 1648 (20.71%)
       
    4. 200-250 кв. м - 751 (9.44%)
       
    5. свыше 400 кв.м - 478 (6.01%)
       
    6. 250-300 кв. м - 380 (4.78%)
       
    7. 300-350 кв. м - 161 (2.02%)
       
    8. 350-400 кв. м - 128 (1.61%)
       
Принять участие в других опросах >>
Форум о строительстве

Объявления

Мы оказываем помощь и даем грамотные и профессиональные консультации по подбору готовых проекты домов, коттеджей, бань, гаражей, бассейнов, беседок и других малоэтажных построек. В нашем каталоге также широко представлены проекты коммерческого назначения (мотели, магазины, автомойки). Мы оказываем свои услуги по всей России и странам СНГ. Проектная документация разработана в соответствии с действующими строительными нормами и правилами, принятыми в Российской Федерации и обеспечивает безопасную для жизни и здоровья людей эксплуатацию объекта при соблюдении предусмотренных рабочими чертежами мероприятий. Мы оказываем содействие не только в подборе готовых проектов домов самых лучших архитекторов России, но также можем помочь вам с индивидуальным проектированием по вашим эскизам. Кроме этих проектных работ, мы можем предложить и рекомендовать вам услуги надежных строительных компаний работающих в Московской области и других регионах России.

| Проекты домов | Пример проекта | Строительство | Все о стройке | Контакты | Мобильная версия | Политика конфиденциальности и обработки персональных данных |

https://www.parthenon-house.ru - готовые проекты домов, малоэтажное строительство России.
Разработка, дизайн и продвижение сайта - компания "ПАРФЕНОН" (2007-2025)
Мы вконтакте